Once upon a ride | MBS Comp 95 | Trucks Matrix II | 12S12Ah | ESCape | 6374 130 Kv

Ok! Merci ! Sur mon build longboard (MAJ Meepo ) je vais tester d’intégrer un prote fusbile MIDI! C’est plus pour le trip qu’autre chose, mais si ça me plait je le ferais peut-être pour les 2 60A!

Pour le gros fusible, je pensais intégrer un lame qui fond dans l’anti spark XT90. Du coup, pas évident de la mettre dans liaison série, je vais peut changer de plan!

Hello tous!

Bon je reprends du service! ESCape dual reçus! Il me manque 2-3 bricoles mais ç devrait arriver et j’en ai pas besoin pour me lancer. J’ai commencé à installer le kit Overion.

Petite question :
0) quand je fais tourner la roue avec la couronne manuellement je vois une légère variation (env. 1mm) du rayon lorsque mon oeil est dans le plan de la couronne en regardant l’axe. Grave ou pas?

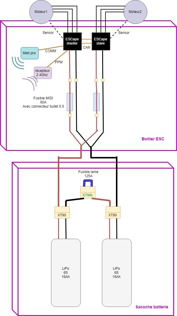
Sinon d’un point de vue elec. Voici le schéma et j’ai quelques questions ensuite :

  1. Pensez-vous qu’il me sera facile/faisable de passer le grand cable avec 4 XT90 + 1 XT90s + 2 Y passer dans le binding?

  2. Avez-vous une autre reférence de connecteur pour les fusibles MIDI. Le HXT 3.5 coupé en 2 vous parait comment?

  3. Pour le Sensor il faudra inverser entièrement le connecteur?

  4. Pareil pour le Metr.pro ?

  5. Pour le BUS CAN il faut que je récupère 2 connecteurs femelle et que je n’utilise que 2 fils, ceux de données, c’est ça?

  6. Pour le Y je comptais souder les cables (1 8AWG vers 2 10AWG) entre eux. D’un point de vue contraintes méca (vibrations etc.) gaine thermo puis colle dans le trou ça suffit? Vous avez d’autres solutions?

Merci d’avance de vos réponses!

  1. Tous ces XT90 vont t’emmerder. J’ai fait ce choix sur la PirCac et j’ai dû repasser en bullet 5.5 car trop de contraintes qui ont fini par me faire sauter une soudure + un XT90 qui s’est déclipsé en ride.

  2. Pareil, je partirai sur du bullet 5.5mm

  3. A vérifier, mais j’en ai peur oui

  4. Oui, sûr à 100% pour avoir du le faire.

  5. Oui, uniquement les 2 fils du milieu

  6. Pas compris. De la colle dans le trou ?

Sinon, tu as oublié ton récepteur de telco sur ton schéma (pour être rigoureux :slight_smile: )

Merci Pimousse!

Pour les bullets tu prends ça et tu mets de la gaine thermo? Ou bien il existe des cache plastique que j’ai pas trouvé?

Donc sur la PirCac tu n’as plus qu’un XT90 qui est le XT90s?

Pour le sensor je vais regarder de plus près!

Pour le Y et la colle dans le trou, je parlais de l’espace qui sera entre les 2 fils 10AWG.

Concernant la telco, le connecteur « nage » dans la prise PPM non?

Et comme j’essaye d’être rigoureux :slight_smile: :

Pour les bullets tu prends ça et tu mets de la gaine thermo? Ou bien il existe des cache plastique que j'ai pas trouvé? Exactement ! Gaine thermo 8mm en rouge et noir. Et t'exilera ta peur. :mrgreen:

Mets le récepteur sur le même VESC que le Metr Pro.
Ce sera ton Master et l’autre Slave (important à détermie pour les réglages).

Ok c’est noté pour les bullets (et commandé)!
Je vais quand même voir si je trouve pas un moyen de fixer les XT90… car ça me fait mal au coeur de défigurer les belles batteries et les beaux ESCape!

Pour le Y je vais tester plusieurs trucs et je me déciderai après tests!

Je me rends compte qu’il va y avoir du monde dans le boitier ESC !! Va falloir optimiser la longueur des cables et que je trouve/fasse un boitier bien adapté!
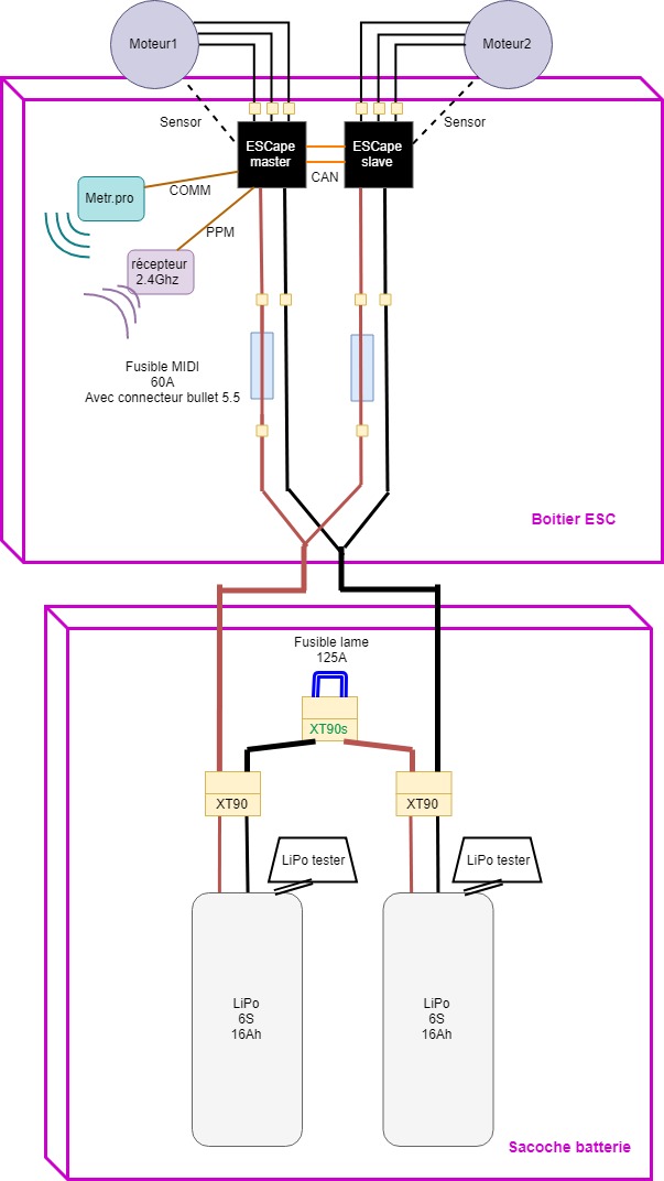
D’ailleurs passer les ESCape en bullet me fait gagner un connecteur. Donc après réflexion en live en écrivant ce message ce sera sans doute bullet 5.5 dans le boitier ESC :

Bon ça avance tout doux!

Les ESCapes sont en bullet 4mm et les moteur en 5.5mm… J’attends de recevoir mon lot de bullet 5.5 pour passer les ESCape en tout bullet 5.5!

Il faut aussi que je me procure des vis M4x10 pour fixer les moteurs.

Et que je vois comment fonctionne les attaches rapides pour les les chaines! Oui je pars de loin!

Prochaine étape : intégration de la lame de fusible dans le XT90s!

En attendant je continue de mettre à jour mon schéma élec:

Salut la compagnie !

Bon j’ai toujours aussi peu de temps (la paternité en laisse assez peu… chapeau okp!)

Petite question tension de chaîne: avec le même réglage de mount en tournant j’obtiens des tensions de chaînes très variables… est-ce normal?

Tentative de photos.

C’est trop tendu. Mets 2 petits cailloux dans la couronne de roue pour avoir de la marge (pq ça va arriver un jour), et règle la tension pour que ça tourne sans résistance. Il ne faut pas non plus que la chaîne puisse s’échapper des dents. Il faut tester sur toute la circonférence de la couronne.

Et oui c’est normal. C’est tout le temps comme ça avec les chaînes/pignons.

Merci de ta réponse et du conseil David, je vais faire ça!

c’est peut être moi mais si tu as ta couronne roue qui est bien centrée et ton axe moteur bien centré aussi et tout dans des plans parfaitement parallèles (ou dans le même selon comment tu regardes)… tu ne devrais pas avoir une tension de chaine différente si tu tournes ta roue (à l’exception du backslash lié au positionnement des dents dans ta chaine) et c’est ce que l’on semble voir sur les photos, donc ça me semble pas normal.

La dernière fois que j’ai vu cela cela venait du fait que les trous de la couronne n’étaient pas exactement dans un cercle autour du centre de ta roue (qui est le centre de ton axe de rotation)… En gros que le perçage avait été fait à l’arrache.

Ok, je vais sortir le pied à coulisse et voir ça avec Yann alors. Sur l’autre roue c’est quand même beaucoup moins prononcé…

Même sur le gear drive de chez E-TOXX avec hanger usiné, le backlash n’est pas le même sur toute la circonférence.

J’ai une Willozboard (transmission à chaines) avec supports moteur soudés et j’ai un backlash bien prononcé.

Idem sur une transmission à chaines de chez E-TOXX et sur le premier E-mtbd commercial français, le Dirt Cruiser (mais ça compte pas c’était de la merde).

je pense pas qu’il s’agisse du backslash (qui est le jeu que tu as entre ta chaine et ta couronne, ou plus précisément lié à la dent qui bouge entre deux maillons). Ce que tu sembles montrer c’est une grosse tension de chaine, puis sur un autre endroit … du relâchement.

Dans tous les cas, la tension doit être la même sur toute la rotation de ta couronne, sinon tu as un problème d’alignement/de perçage (ou d’axe moteur vrillé)

Démo sur une boosted, même si cela n’a rien avoir, voici le comportement que tu sembles décrire.

A l’époque ou j’avais fait percer des courroies pas cher de chez Tri Distribution… et vu qu’ils n’avaient pas le compas dans l’oeil… ce type de comportement s’est produit (et c’est forcément pas la normalité). Au pire, je peux te faire tester deux couronnes 42T chaine ISO6B que j’ai … et tu compareras si ça peut te rendre service.

Bien le bonjour Pafou,

Ormis le fait que tu a peu être reçu une jante déformée , (ça arrive aussi), appel le SAV Overion et ton problème sera résolu après quelques jours de poste…

Pas de stress, que des solutions…

bonne continuation.

Merci pour vos réponses! J’ai regardé de plus près et il y a 2 choses : le pignon est au bout du bout de l’arbre moteur donc il est un peu désaxé. Et la couronne est un désaxée mais du coup une fois le pignon en place je dirais que la différence de tension est acceptable… Je vais envoyé les détails à Yann et je vous tiens au jus.

Sinon, je tente un truc mais je ne suis pas vraiment sur de moi !
Comme je vais mettre mes batterie dans une sacoche, et que, comme prévu sur mon schéma élec je vais mettre le XT90s dans le lien série entre les batteries j’ai pensé à un montage en équerre alors j’ai commencer commencé comme ça (xt90s femelle pas présent):


ça sera pris en sandwich entre 2 équerres en carbone, et noyé dans la résine. Le tout sera collé sur la board (xt90s en l’air) entre les batteries et le binding arrière!

Ma grosse question (à part "à quel point mon idée est foireuse) c’est : est-ce que la section est assez importante d’après vous? Est-ce que ça va pas trop chauffer à cet endroit?

A bientôt!

Hello!

Concernant la tension de la chaine, après analyse et discussion avec Yann : le pignon était vraiment trop au bout de l’axe moteur, donc le serrage désaxe le pignon. Solutions : des entretoises plus longues pour avancer la couronne vers le moteur et rentrer plus le pignons.

Concernant ma question élec du post précédent je prends tous les avis!

A bientôt

Hello Pafou ça touche au but la ^_^[emoji1305]

T’as bien roulé déjà ? T’as kiffé comment les 130 kv alors ?

Bien vu pour les entretoises !

Du coup tu as mis de l’entretoise m8 de combien ? Celles d’origines c’est des 20 mm, faudrait du 30 mm j’pense.

Faut que je fasse la modif aussi j’ai pas de voilage mais mes pignons ne sont pas enfoncés a fond.

Pour la modif élec ça dépasse mes connaissances, je préfère pas t’induire sur en erreur ou te dire des conneries.

bonne idée les équerres en cuivre :wink:
mais il faut savoir une chose : la soudure (étain/plomb) n’est pas très bon conducteur … comparé au cuivre . :frowning:
donc essaie de faire une pression mécanique entre le connecteur XT et l’équerre cuivre (pince étau , serre joint) afin que les surfaces de contact électrique se fassent au mieux avant figeage dans la soudure… :geek:

mieux : si tu peux y caser 2 équerres en limant un peu si nécessaire , ce serait le top !!

@Stien : ça roule pas encore! Une fois l’equerre elec faite et les entretoise installées il me restera le boîtier esc! Et je serai prêt pour les beaux jours !
Au passage les entretoises elles seront usinées, ça devrait être des 30mm!

@lurch : merci du conseil, je vais peut-être bien les défaire/refaire avec 2 équerres bien liées. Ça va prendre un peu plus de temps mais je serai rassuré.